AVAS - akustický systém pro ozvučení elektrických vozidel
Tento produkt je zvukové zařízení pro simulaci zvuku motoru v elektrických a hybridních vozidlech. Systém AVAS (Acoustic Vehicle Alerting System) se instaluje do vozidel, aby upozornil chodce na blížící se vozidlo. Tento systém je povinný v některých zemích, aby se zajistila bezpečnost chodců a c...


Tento produkt je zvukové zařízení pro simulaci zvuku motoru v elektrických a hybridních vozidlech.
Systém AVAS (Acoustic Vehicle Alerting System) se instaluje do vozidel, aby upozornil chodce na blížící se vozidlo. Tento systém je povinný v některých zemích, aby se zajistila bezpečnost chodců a cyklistů.
Tento AVAS systém simuluje zvuk motoru pomocí vestavěného reproduktoru, který vydává zvuk při jízdě rychlostí pod 20 km/h.
Zařízení může být instalováno do různých typů vozidel, včetně osobních automobilů, dodávek a dalších druhů vozidel.
Produkt je navržen tak, aby byl jednoduchý na instalaci a používání.
S tímto AVAS systémem můžete být klidní, že chodci v okolí budou vědět, že se blížíte a tím se sníží riziko nehody a zlepší se bezpečnost silničního provozu.
Technické parametry:
• Napájení: 12 V DC (9 – 16 V)
• Proudový odběr: ≤ 0,8 A/12 V
• Hlasitost: max. 75 dB (1m před vozidlem)
• Typ zvuku: simulace zvuku motoru /Du Du
• Funkční při rychlosti nižší než 20 km/h
• Včetně akustické signalizace při couvání
• Lze dočasně vypnout spínačem tichého režimu
• Frekvenční rozsah: 500 Hz - 5 kHz
• Komunikace s vozidlem: přes CAN-BUS sběrnici (ISO11898-2)
• Životnost: až 50 000 hodin
• Pracovní teplota: -30 °C~85 °C
• Vodotěsná ochrana: IP65
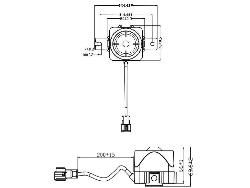
• Rozměry: 80 x 76 x 69 mm
Popis funkce:
Generování zvuku, když vozidlo jede nízkou rychlostí
Systém vyčte z CAN-BUS sběrnice stav převodového stupně vozidla a rychlost vozidla.
- Neutrál: žádný zvuk
- Jízda: žádný zvuk při nulové rychlosti vozidla
- Jízda: od 0 do 20 km/h, generuje tradiční zvuk motoru, hlasitost se zvyšuje nebo snižuje s rychlostí vozidla
- Zpětný chod: Výstražný zvuk "Du Du"
Doplňkové parametry
| Kategorie: | Ostatní |
|---|---|
| Záruka: | 2 roky |
| EAN: | 8595684116236 |
Diskuze
Buďte první, kdo napíše příspěvek k této položce.


